性能與特點
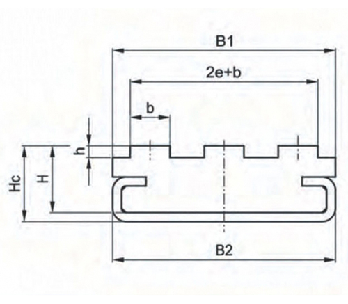
鏈條導軌也叫鏈條導向件,是一種靜壓導軌, 用于支撐和導向鏈條,減少鏈條磨擦,降低噪音,增強鏈條使用壽命。
高耐磨、耐溫、精密、穩(wěn)固、無聲、環(huán)保等高精度的鏈條導向。
采用840萬超高分子量耐磨,耐溫工程塑料“UPE’材料,具有經濟,無污染特性。
磨損小.摩擦阻力小.自行潤滑. (不需任何潤滑油),具有抗沖擊性.使用溫度范圍-200 +80C. 具有減震作用在潮濕環(huán)境下不易受潮,具有高的抗化學性能.有抗腐蝕性。
通過歐盟EU和美國FDA認證,可直接和食品接觸使用,適合食品衛(wèi)生要求。
應用場合
印刷行業(yè)機械制造,食品包裝機械,醫(yī)療器械,車輛制造及運輸工業(yè),紡織工業(yè),自動化領域,非標自動化流水線、輸送線,貼窗機,激光切割機械等行業(yè)。

